Der SWK-Speicher wurde dank seiner guten Isolierung aus 65 mm dickem PUR-Schaum der Energieklasse A zugeordnet. Er bietet höchste Energieeffizienz, reduziert den Wärmeverlust bis zu 50% und im Vergleich zu einem ähnlichen Wärmespeicherder Energieklasse C spart bis zu 320 kWh Energie pro Jahr ein
Unsere Produkte werden aus hochwertigen Stahlsorten hergestellt, die von bewährten Lieferanten geliefert werden. Zu Ihrer Sicherheit werden alle unsere Standspeicher einer hundertprozentigen Dichtheits- und eine Qualitätsprüfung der Emaille-Beschichtung unterzogen.
4 vorrätig
Versandkosten:
Lieferzeit:
Umsetzung:
Kontaktieren Sie uns, wir helfen Ihnen gerne weiter!
Mobile / Wahtsapp:
Email:
weiß
120-135 Liter
Warmwasser
2-3 Werktage
1-2 Werktage
SWK 120 Liter TERMO MAX
.
Unterstell-Warmwasserspeicher Kospel 120 Liter mit 1 Wärmetauscher
Produktausstattung:
Geeignet für die direkte Montage unter Brennwertgeräten
• Anschlüsse oben
• Behälter: Stahl, emailliert
• Glattrohr Wärmetauscher
• Magnesiumanode für den Korrosionsschutz
• Höhenverstellbare Füße
• Analogthermometer
• Zusätzliche Muffe für Elektroheizstab: DN 40 (11/2“)
• Isolierung: 65 mm PUR, Mantel-Farbe weiß
• Betriebsdruck Warmwasserspeicher max.: 6 bar
• Betriebsdruck Wärmetauscher max.: 10 bar
• Betriebstemperatur max.: 95°C
EEK = Energieeffizienzklasse (gemäß ErP-Richtlinie)
..
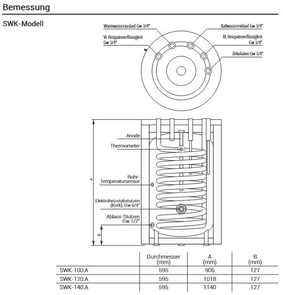
Technische Daten
Typ: SWK-120
Inhalt [l]: 111
Gesamthöhe [mm]: 1018
EEK: A (Spektrum A+ bis F)
Kippmaß [mm]: 1153
unterer WT [m²]: 1,0
ø mit Isolierung [mm]: 595
KOSPEL